水中ポンプ 一般工事排水用 KRS型
 
KRS 水中ポンプ バナー

 水中ポンプ 一般工事排水用 KRS型

 
KRS 水中ポンプ バナー

 特性

  4 極モータ(30 〜37kW は6 極仕様)を採用し、シンプル構造で耐久性・利便性も重視した当社の汎用ポンプを代表する機種です。
 
● 低水位運転にもモータ冷却効果をもたせた、当社オリジナルの片水路、上吐出し形ですから、狭い場所を有効利用できます。
 
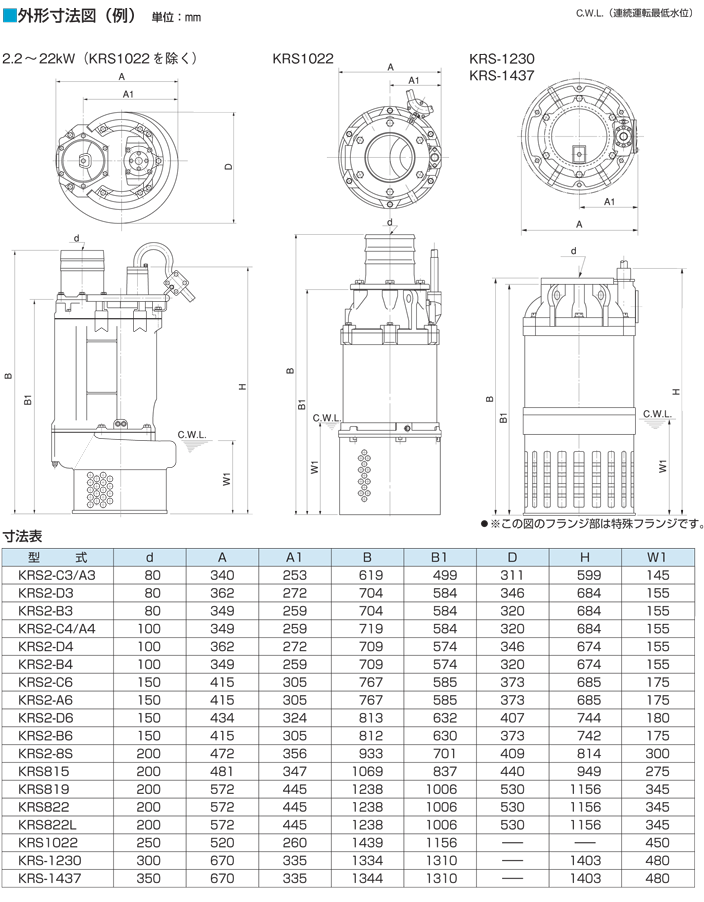
  KRS-1230 / 1437 型は電極式浸水検出器を標準装備しています。
 
● 吐出し管付フランジ仕様(特別付属品)により、配管接続が簡単にできます。

 
 用途

1.  土木(河川・港湾・橋梁・ダム・トンネル・地下鉄・上下水道)工事排水用。
2.  各種工場での揚水・排水用
 
KRS仕様
ページの先頭へ
水中ポンプ KRS型 

※ 上記仕様、型式などは予告なく変更される場合があります。詳しくは最寄りの営業所にてご確認ください。

 特性

  4 極モータ(30 〜37kW は6 極仕様)を採用し、シンプル構造で耐久性・利便性も重視した当社の汎用ポンプを代表する機種です。
 
● 低水位運転にもモータ冷却効果をもたせた、当社オリジナルの片水路、上吐出し形ですから、狭い場所を有効利用できます。
 
  KRS-1230 / 1437 型は電極式浸水検出器を標準装備しています。
 
● 吐出し管付フランジ仕様(特別付属品)により、配管接続が簡単にできます。

 
 用途

1.  土木(河川・港湾・橋梁・ダム・トンネル・地下鉄・上下水道)工事排水用。
2.  各種工場での揚水・排水用
KRS仕様
ページの先頭へ
水中ポンプ KRS型 

※ 上記仕様、型式などは予告なく変更される場合があります。詳しくは最寄りの営業所にてご確認ください。