濁水処理装置

濁水処理装置 TDC-12

 特性

●浮遊物質(SS)とpH 異常(8.6 以上)の濁水を、直接河川や海域に放流できるように浄化します。
 
●原水の中和制御は流入のpH の変動に応じて自動制御ができます。時分割比例制御方式を採用しています。
 
●小形、軽量化と、プラント部・シックナ部の分離により、装置一式をトラックに搭載可能です。
 

 フローシート

希硫酸フローシート
炭酸ガスフローシート-01.png

 

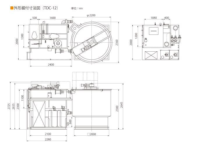
 外形寸法図

TDC-12外形寸法.png

 

 仕様一覧表

TDC-12仕様一覧.png

※ 上記仕様などは予告なく変更される場合があります。詳細は特機部までお問合せください。