水中ポンプ 一般工事排水用 ハイスピンポンプ
LB LBA 水中ハイスピンポンプ

 特性

● 実績と信頼を誇るLB 型をベースに、ハイギャップ構造のハイスピン形の羽根車の採用で、さらに摩耗に強くなり、また摩耗しても性能低下が少ない羽根車特性となりました。砂などによる〈ロック〉が少ない設計です。
 
● 吐出し方向「上」「横」を変更可能、横引き時のホースの折れ曲がりを防止します。袋ナットを緩めるだけで脱着可能。
 
● 厳選した耐摩耗性のある複合材の採用により、質量9.5kgの軽量化及びA4サイズの紙とほぼ同等という小形化を実現しました。
 
● ポンプ部はボックスレンチ1 本で分解でき、メンテナンスが容易になりました。
 
● 電極式自動タイプ(LBA 型)。
 
(A)
電源を接続するだけで自動運転ができます。
 
(B)
連続渇水運転による騒音を防止するための全く新しい制御方式を採用しています。
 
液面検出に〈高感度仕様の電極〉・さらに波立ちによる誤動作を防ぐ〈タイマ機能〉を組み合わせた自動運転方式で、特に夜間の住宅密集地での使用に威力を発揮します。
 
動作は水位が上昇し2 本の電極とも水につかるとポンプは始動し、その後、水位が低下し水面が電極から離れると、タイマが作動し約1 分間運転後に停止します。自動運転方式のため連続した運転と違い無駄のない環境にやさしい運転が行なえます。

 
 用途

 
1.一般土木・建築工事の排水用。
2.雨水・湧水・溜り水の排水用。
3.地下室・各種ピットなどの排水用。
4.一般の揚水・排水用。

 水中ポンプ 一般工事排水用 ハイスピンポンプ

LB LBA 水中ハイスピンポンプ

 特性

● 実績と信頼を誇るLB 型をベースに、ハイギャップ構造のハイスピン形の羽根車の採用で、さらに摩耗に強くなり、また摩耗しても性能低下が少ない羽根車特性となりました。砂などによる〈ロック〉が少ない設計です。
 
● 吐出し方向「上」「横」を変更可能、横引き時のホースの折れ曲がりを防止します。袋ナットを緩めるだけで脱着可能。
 
● 厳選した耐摩耗性のある複合材の採用により、質量9.5kgの軽量化及びA4サイズの紙とほぼ同等という小形化を実現しました。
 
● ポンプ部はボックスレンチ1 本で分解でき、メンテナンスが容易になりました。
 
● 電極式自動タイプ(LBA 型)。
(A)電源を接続するだけで自動運転ができます。
(B)連続渇水運転による騒音を防止するための全く新しい制御方式を採用しています。液面検出に〈高感度仕様の電極〉・さらに波立ちによる誤動作を防ぐ〈タイマ機能〉を組み合わせた自動運転方式で、特に夜間の住宅密集地での使用に威力を発揮します。動作は水位が上昇し2 本の電極とも水につかるとポンプは始動し、その後、水位が低下し水面が電極から離れると、タイマが作動し約1 分間運転後に停止します。自動運転方式のため連続した運転と違い無駄のない環境にやさしい運転が行なえます。

 
 用途

1.一般土木・建築工事の排水用。
2.雨水・湧水・溜り水の排水用。
3.地下室・各種ピットなどの排水用。
4.一般の揚水・排水用。

性能曲線 LB LBA

※ 上記仕様、型式などは予告なく変更される場合があります。詳しくは最寄りの営業所にてご確認ください。
ページの先頭へ
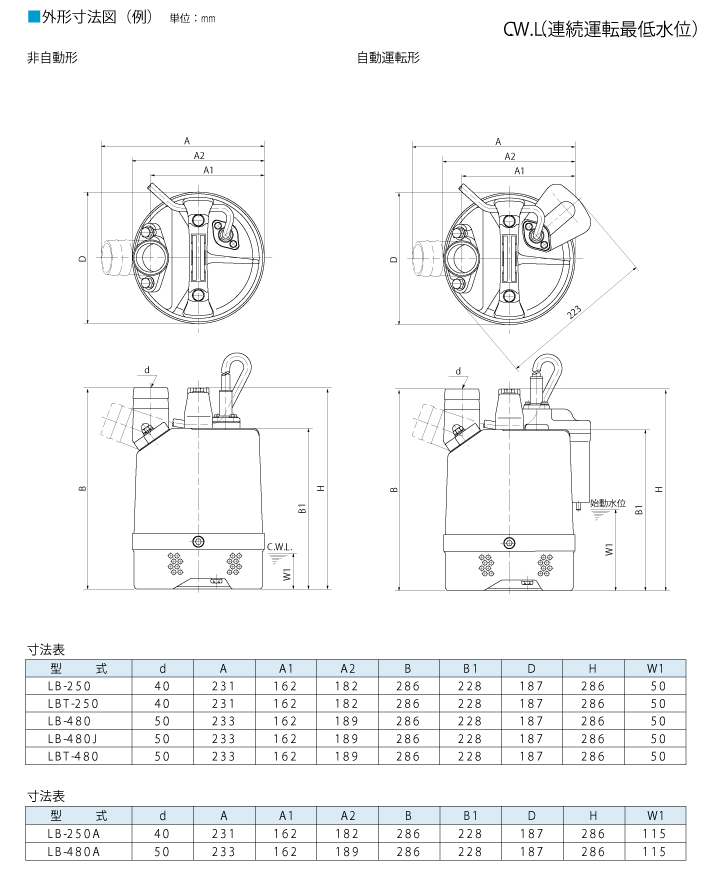
外形寸法図 LB LBA

※ 上記仕様、型式などは予告なく変更される場合があります。詳しくは最寄りの営業所にてご確認ください。